Генератор огнетушащего аэрозоля Допинг-2.160п Эпотос

Наведите на картинку для увеличения
Распродажа -40%
До завершения акции осталось:

 Предзаказ: уточняйте сроки поставки!

18960 
11376 
Вы экономите: 7584 ₽ (40%)
Артикул производителя00-00008071 БрендЭпотос
Как получить счет на юридическое лицо?
Бесплатная доставка заказов массой до 10 кг

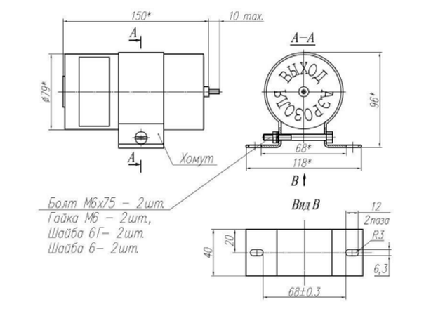
Генератор огнетушащего аэрозоля ГОА «Допинг-2.160п» разработан целевым назначением для противопожарной защиты автотранспортных средств. При его разработке учтены требования нормативной документацией Министерства транспорта, Министерства обороны Российской Федерации и РОСТЕСТа, предъявляемые к оборудованию, устанавливаемому на автомобили.

Преимущественная область применения - моторные и багажные отделения транспортных средств (автомобильных, железнодорожных, водных и др.), электрические шкафы, сейфы, хранилища материальных ценностей и т.п. Аэрозоль, образующийся в результате сгорания шашки состава "КЭП" при срабатывании генератора, не содержит озоноразрушаюших веществ.

Запуск генератора может быть произведен как в автоматическом, так и в ручном режиме (принцип дублирования). Генератор монтируется в пожароопасных местах автомобиля (моторный, багажный отсеки, отсек отопителя, отсек топливного бака и т.п.) и запускается автоматически от тепла, пламени, искр, появляющихся при пожаре, или вручную нажатием кнопки, установленной на приборной панели в кабине водителя.

При желании генератор огнетушащего аэрозоля можно использовать и как дополнительное противоугонное устройство. Для этого необходимо в схему электрозапуска генератора включить дополнительный тумблер (секретка), устанавливаемый в потайном месте, соединенный определенным образом со схемой запуска двигателя автомобиля.

При запуске двигателя угонщиком при включенной секретке происходит подача импульса тока на огнетушитель (генератор огнетушащего аэрозоля);  Огнетушитель срабатывает, из-под капота идет серо-голубой дым (создается имитация загорания автомобиля) и в течение 15-20 мин двигатель завести невозможно, так как огнетушащий аэрозоль проникает в камеру сгорания и оказывает ингибирующее (тормозящее) воздействие на процесс сгорания топливной смеси. 

 В комплект поставки входит:
● упаковка -1 штука:
● генератор без электровоспламенителя (с заглушкой)-1 штука;
● электровоспламетитель -1 штука;
● кронштейн в сборе - 1 комплект;
● паспорт и руководство по эксплуатации - 1 штука.


Бренд:
Эпотос

Паспорт (Паспорт_Допинг_2.160п__Допинг_2.160к_.pdf, 490 Kb) [Скачать]

Сообщения не найдены

Написать отзыв

Информация о технических характеристиках товара, комплекте поставки, стране изготовления, внешнем виде и цвете товара не является публичной офертой, носит справочный характер и основывается на последних полученных данных от производителя к моменту публикации товара.